AXI 2203/RACE SAVER V2 střídavý motor

Kód zboží: 3EL105520V2S EAN: 8595247303035
Střídavý elektromotor s rotačním pláštěm nové generace pro modely akro do 170g, napájení Lixx 2s, hřídel 3,17 mm, regulátor 10-12A. Verze s gumičkovým unašečem.
  • Cena vč. DPH:1 559 Kč
  • Cena bez DPH:1 288 Kč
  • Původní cena:1 559 Kč
  • Dostupnost: Skladem (2 ks)
Množství:

Nová generace motorů AXI V2 má vyšší výkon díky svému propracovanému designu, který ve spojení s integrovaným chladícím systémem na principu turbínového efektu proudění vzduchu udržuje vinutí motoru chladnější až o 20%.

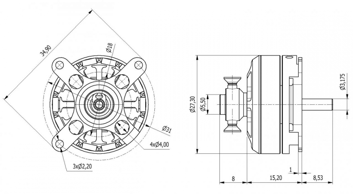
Robustní a spolehlivé vysokovýkonné střídavé motory řady AXI 2203/xx V2 s otočným pláštěm a neodymovými magnety mají kalenou hřídel o průměru 3,17 mm uloženou ve dvou kuličkových ložiscích, která zajišťují velmi dobrou mechanickou stabilitu. Hřídel je opatřena gumičkovým unašečem; motory jsou konstruovány pro zadní montáž na patky, které jsou součástí předního čela (s vyjímkou AXI 2203/RACE V2). Rotory motorů řady AXI 2203/xx V2 jsou vyváženy na nejmodernějším dynamickém vyvažovacím zařízení od renomované společnosti Schenck. Kvalitní japonská ložiska, dodávaná do motorů řady V2 se vyznačují vyšší životností a tichým chodem.

Motory řady AXI 2203/xx V2 jsou díky svému velkému kroutícímu momentu vhodné pro přímý pohon velkých vrtulí bez nutnosti použít převodovku, což zajišťuje velmi dobrou účinnost celého pohonu.

Systém označování motorů: AXI xxYY/zz
xx - průměr statoru v mm
YY - délka statoru v mm
zz - počet závitů

AXI 2203/RACE SAVER V2 je miniaturní střídavý motor s gumičkovým unašečem vrtule učený pro pohon malých rychlých modelů s letovou hmotností do 220 g s napájením z dvoučlánkového akumulátoru Li-poly. Motor byl speciálně vyvinut pro rychlé halové akrobatické modely kategorie AIR RACE do 170 g.

Montáž motoru: AXI 2203/RACE SAVER V2 je konstruován pro přední montáž s pomocí trojice patek na předním čelu. Motorová přepážka by měla být z 1-1,5 mm letecké překližky.

Sada motoru obsahuje: motor AXI 2203/RACE SAVER V2 s kabely, příslušenství gumičkového unašeče, návod.

Napájení LiXX článků 2
Otáčky na volt [ot./min/V] 2300
Vnitřní odpor [mOhm] 220
Proud naprázdno [mA] 550
Max. účinnost [%] 75
Proud při max. účinnosti (η>69%) [A] 3 - 7.5
Max. špičkový proud (20 s) [A] 10
Max. výkon [W] 62
Průměr [mm] 27.7
Délka [mm] 21
Průměr hřídele [mm] 3.17
Hmotnost [g] 19
Počet pólů 14
Časování [°] 15 - 25
Regulátor [A] 10 - 12
Akrobat do hmotnosti [g] 170
Doporučená vrtule 2S: 7x3,5"
QR kód
Nákupní košík

Košík je prázdný

Výrobci
Přihlášení zákazníka

RC modely letadel