AXI 2204/54 V2 střídavý motor

Kód zboží: 3EL105600V2 EAN: 8595247302564
Střídavý elektromotor s rotačním pláštěm nové generace pro modely trenér do 300g, akro do 260g, 3D 220g, napájení Lixx 2-3s, hřídel 3,17 mm, regulátor 10-12A.
  • Cena vč. DPH:1 749 Kč
  • Cena bez DPH:1 445 Kč
  • Původní cena:1 749 Kč
  • Dostupnost: Skladem (5 ks)
Množství:

Nová generace motorů AXI V2 má vyšší výkon díky svému propracovanému designu, který ve spojení s integrovaným chladícím systémem na principu turbínového efektu proudění vzduchu udržuje vinutí motoru chladnější až o 20%.

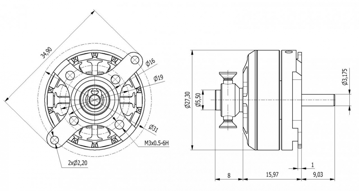
Robustní a spolehlivé vysokovýkonné střídavé motory řady AXI 2204/xx V2 s otočným pláštěm a neodymovými magnety mají kalenou hřídel o průměru 3,17 mm uloženou ve dvou kuličkových ložiscích, která zajišťují velmi dobrou mechanickou stabilitu. Hřídel je opatřena gumičkovým unašečem; motory jsou konstruovány pro montáž na patky, které jsou součástí předního čela. Rotory motorů řady AXI 2204/xx V2 jsou vyváženy na nejmodernějším dynamickém vyvažovacím zařízení od renomované společnosti Schenck. Kvalitní japonská ložiska, dodávaná do motorů řady V2 se vyznačují vyšší životností a tichým chodem.

Motory řady AXI 2204/xx V2 jsou díky svému velkému kroutícímu momentu vhodné pro přímý pohon velkých vrtulí bez nutnosti použít převodovku, což zajišťuje velmi dobrou účinnost celého pohonu.

Systém označování motorů: AXI xxYY/zz
xx - průměr statoru v mm
YY - délka statoru v mm
zz - počet závitů

AXI 2204/54 V2 je miniaturní střídavý motor učený pro pohon malých modelů s letovou hmotností do 300 g s napájením z dvou- až tříčlánkového akumulátoru Li-poly. S jeho pomocí můžete úspěšně "elektrifikovat" např. gumáčky ze stavebnic Guillow's nebo Dumas s rozpětím cca 700-1000 mm, výborný je i pro park-flyery Dumas a SIG/HERR.

Montáž motoru: AXI 2204/54 V2 je konstruován pro přední i zadní montáž (s využitím dvojice patek na předním čele), gumičkový unašeč vhodný pro vrtule GWS je integrální součástí motoru. Osazení unašeče pro vrtuli má průměr 5,5 mm, s motorem jsou dodávány ještě dva adaptéry s průměrem osazení 7 a 8 mm. Při přední montáži za čelo motoru použijte dva (protilehlé) šrouby M3, které zasahují do čela motoru v rozmezí 2-2,5 mm. Motorová přepážka by měla být z 1-1,5 mm letecké překližky.

Sada motoru obsahuje: motor AXI 2204/54 V2 s kabely, adaptéry pro vrtuli 7 a 8 mm, O-kroužek pro gumičkový unašeč, návod.

Napájení LiXX článků 2 - 3
Otáčky na volt [ot./min/V] 1400
Počet závitů 54
Vnitřní odpor [mOhm] 320
Proud naprázdno [mA] 350
Max. účinnost [%] 78
Proud při max. účinnosti (η>67%) [A] 2 - 6
Max. špičkový proud (30 s) [A] 8.5
Max. výkon [W] 74
Průměr [mm] 27.7
Délka [mm] 28
Průměr hřídele [mm] 3.17
Hmotnost [g] 27.4
Počet pólů 14
Časování [°] 15 - 25
Regulátor [A] 10 - 12
Trenér do hmotnosti [g] 300
Akrobat do hmotnosti [g] 260
3D do hmotnosti [g] 220
Doporučená vrtule 2S: 9x5"
Doporučená vrtule 3S: 7,5x3,5", 8x4", 9x3,8"
QR kód
Nákupní košík

Košík je prázdný

Výrobci
Přihlášení zákazníka

RC modely letadel