AXI 2826/6 V2 střídavý motor

Kód zboží: 3EL1056100V2 EAN: 8595247302281
Střídavý elektromotor s rotačním pláštěm nové generace pro modely akro do 2500g, větroň 2700g, heli 1500g, napájení Lixx 2-3s, hřídel 5 mm, regulátor 70-90A. Včetně kleštinového unašeče pro pevnou vrtuli a sady pro zadní montáž.
  • Cena vč. DPH:3 090 Kč
  • Cena bez DPH:2 554 Kč
  • Původní cena:3 090 Kč
  • Dostupnost: Skladem (3 ks)
Množství:

Nová generace motorů AXI 2826/xx V2 má vyšší výkon díky svému propracovanému designu, který ve spojení s integrovaným chladícím systémem na principu turbínového efektu proudění vzduchu udržuje vinutí motoru chladnější až o 20%.

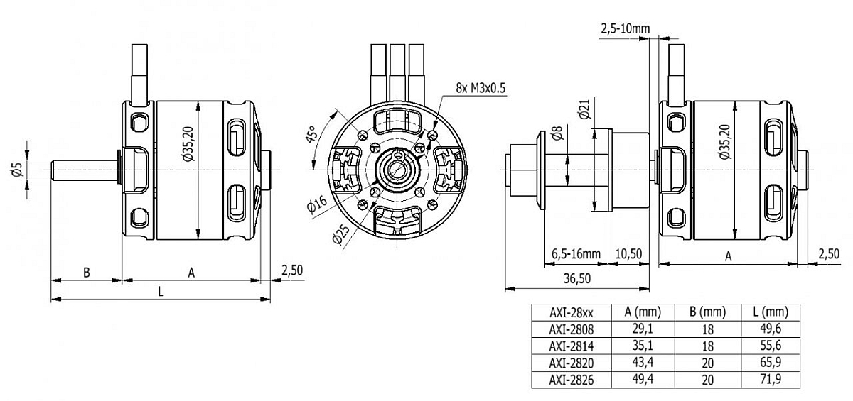
Robustní a spolehlivé vysokovýkonné střídavé motory řady AXI 2826/xx V2 s otočným pláštěm a neodymovými magnety mají kalenou hřídel o průměru 5 mm uloženou ve třech kuličkových ložiscích, která zajišťují velmi dobrou mechanickou stabilitu při normální i obrácené montáži a dovolují vysoká dynamická zatížení běžná při akrobatickém létání a zaručují velmi vysokou životnost. Rotory motorů řady AXI 2826/xx V2 jsou vyváženy na nejmodernějším dynamickém vyvažovacím zařízení od renomované společnosti Schenck. Kvalitní japonská ložiska, dodávaná do motorů řady V2 se vyznačují vyšší životností a tichým chodem.

Motory řady AXI 2826/xx V2 jsou díky svému velkému kroutícímu momentu vhodné pro přímý pohon velkých vrtulí bez nutnosti použít převodovku, což zajišťuje velmi dobrou účinnost celého pohonu.

Systém označování motorů: AXI xxYY/zz
xx - průměr statoru v mm
YY - délka statoru v mm
zz - počet závitů

AXI 2826/6 V2 je střídavý motor učený pro pohon modelů s letovou hmotností do 2500 g s napájením z dvou- nebo tříčlánkového akumulátoru Li-poly. Výborně se hodí pro rychlé motorové větroně do 2500 g.

Montáž motoru: AXI 2826/6 V2 je konstruován pro přední i zadní montáž. Při přední montáži za čelo motoru použijte čtyři šrouby M3, které zasahují do čela motoru v rozmezí 3,5-4 mm. Motorová přepážka by měla být z 5 mm letecké překližky.

Sada motoru obsahuje: střídavý motor AXI 2826/6 V2 s kabely, kleštinový unašeč pro pevnou vrtuli, sadu pro zadní montáž, návod.

Napájení LiXX článků 2 - 3
Otáčky na volt [ot./min/V] 1500
Počet závitů 6
Vnitřní odpor [mOhm] 25
Proud naprázdno [A] 3.5
Max. účinnost [%] 84
Proud při max. účinnosti (η>75%) [A] 30 - 45
Max. špičkový proud (30 s) [A] 66
Max. výkon [W] 665
Průměr [mm] 35
Délka [mm] 52
Průměr hřídele [mm] 5
Hmotnost [g] 177
Počet pólů 14
Časování [°] 15 - 25
Regulátor [A] 70 - 90
Větroň do hmotnosti [g] 2500
Doporučená vrtule 2S: 12x8"
Doporučená vrtule 3S: 10x6"
QR kód
Nákupní košík

Košík je prázdný

Výrobci
Přihlášení zákazníka

RC modely letadel