Košík je prázdný
Motory KAVAN PRO jsou vysokovýkonné bezkomutátorové (střídavé, "brushless") čtrnáctipólové elektromotory s rotačním pláštěm ("outrunner") s vynikajícími elektrickými vlastnostmi, propracovanou konstrukcí a špičkovým výrobním zpracováním. Hřídele z tvrzené oceli a kvalitní ložiska zajišťují vysokou životnost, jakostní materiály použité pro zhotovení statoru i rotoru zaručují rovněž výborné výkonové parametry při vysoké účinnosti. Jsou to nízkootáčkové motory s velkým kroutícím momentem zvládající vrtule o velkém průměru i stoupání bez potřeby převodovky.
| Systém označování motorů: PRO xxYY-zzzz |
| PRO - střídavý motor s rotačním pláštěm ("outrunner", "oběžka") |
| xx - průměr motoru v mm |
| YY - délka motoru v mm |
| zzzz - počet otáček na volt (ot./min na V), „KV“ |
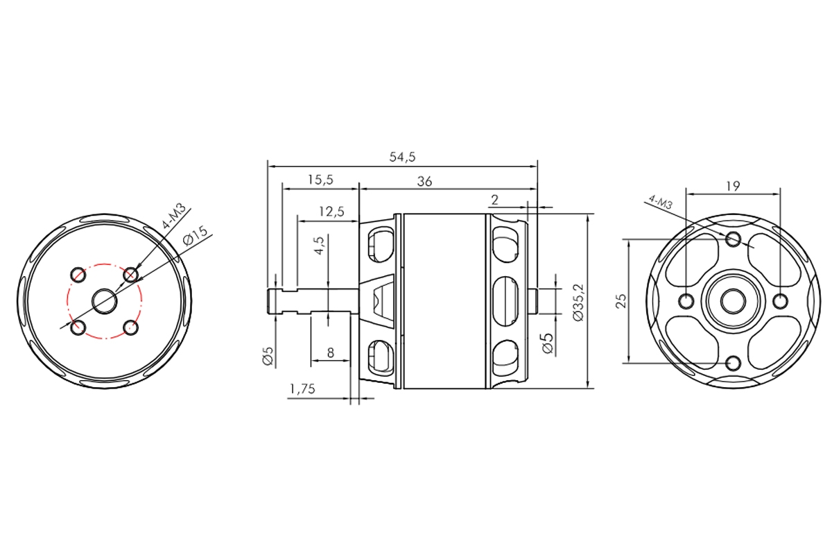
KAVAN PRO 3536-1000
KAVAN PRO 3536-1000 je střídavý motor učený pro pohon modelů s letovou hmotností do 1700 g s napájením z tříčlánkového až čtyřčlánkového akumulátoru LiPo. Výborně se hodí pro modely, jako je náš FOX 2300, MULTIPLEX® Fun Cub, Bellanca Decathlon EP 1300 mm od Phoenixu, dvoumetrové termické větroně jako Solius a Heron apod.
Montáž motoru: KAVAN PRO PRO 3536-1000 je konstruován pro přední i zadní montáž. Při přední montáži za čelo motoru použijte čtyři šrouby M3, které zasahují do čela motoru v rozmezí 3,5-4 mm. Motorová přepážka by měla být ze 4 mm letecké překližky. Sada pro zadní montáž (upevňovací kříž, unašeč vrtule pro zadní montáž) je dodávána spolu s motorem.
Sada motoru obsahuje: střídavý motor KAVAN PRO 3536-1000 s kabely s připájenými 3,5 mm zlacenými konektory, sadu pro zadní montáž. Úplný návod k obsluze motoru si můžete stáhnout zde: Střídavé motory KAVAN PRO - Návod k obsluze
Pozn.: Alternativní označení dle rozměrů statoru 2815-1000.
| Napájení LiXX článků | 3 - 4 |
| Otáčky na volt [ot./min/V] | 1000 |
| Max. výkon (180 s) [W] | 700 |
| Vnitřní odpor [mOhm] | 35 |
| Proud naprázdno (při 10 V) [A] | 1.5 |
| Max. špičkový proud (180 s) [A] | 50 |
| Průměr [mm] | 35.2 |
| Délka [mm] | 34 |
| Délka celková [mm] | 54.5 |
| Průměr hřídele [mm] | 5 |
| Hmotnost [g] | 107 |
| Počet pólů | 14 |
| Časování [°] | 20 - 25 |
| Regulátor [A] | 50 - 60 |
| Větroň do hmotnosti [g] | 1700 |
| Trenér do hmotnosti [g] | 1600 |
| Akrobat do hmotnosti [g] | 1300 |
| 3D do hmotnosti [g] | 1050 |
| Doporučená vrtule | 3S: 12x6" |
| 4S: 10x5" | |
Košík je prázdný