Košík je prázdný
Motory KAVAN PRO jsou vysokovýkonné bezkomutátorové (střídavé, "brushless") čtrnáctipólové elektromotory s rotačním pláštěm ("outrunner") s vynikajícími elektrickými vlastnostmi, propracovanou konstrukcí a špičkovým výrobním zpracováním. Hřídele z tvrzené oceli a kvalitní ložiska zajišťují vysokou životnost, jakostní materiály použité pro zhotovení statoru i rotoru zaručují rovněž výborné výkonové parametry při vysoké účinnosti. Jsou to nízkootáčkové motory s velkým kroutícím momentem zvládající vrtule o velkém průměru i stoupání bez potřeby převodovky.
| Systém označování motorů: PRO xxYY-zzzz |
| PRO - střídavý motor s rotačním pláštěm ("outrunner", "oběžka") |
| xx - průměr motoru v mm |
| YY - délka motoru v mm |
| zzzz - počet otáček na volt (ot./min na V), „KV“ |
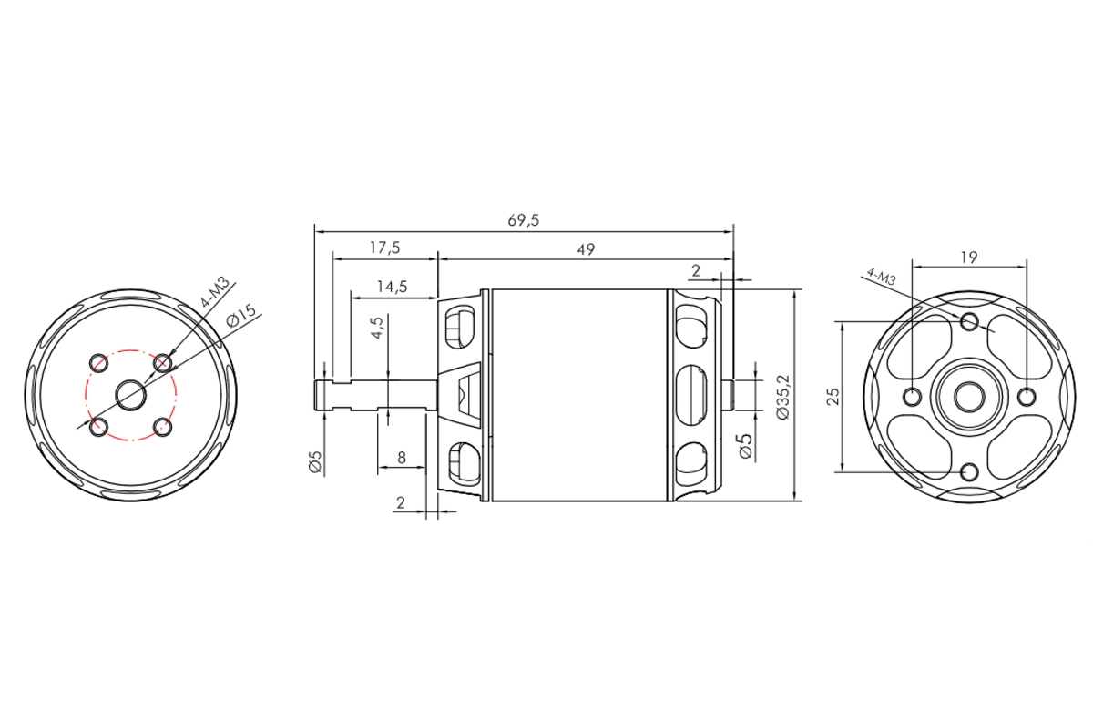
KAVAN PRO 3548-500
KAVAN PRO 3548-500 je střídavý motor učený pro pohon modelů s letovou hmotností do 2800 g s napájením ze šestičlánkového akumulátoru LiPo. Výborně se hodí pro velké termické větroně 2800-3500 mm, makety a 3D modely, pro něž je výhodné použití vrtule o velkém průměru s nízkými otáčkami. S LiPo šestičlánkem bude vhodný i pro rychlejší modely se štíhlým trupem, který nedovoluje použití motoru o větším průměru.
Montáž motoru: KAVAN PRO 3548-500 je konstruován pro přední i zadní montáž. Při přední montáži za čelo motoru použijte čtyři šrouby M3, které zasahují do čela motoru v rozmezí 3,5-4 mm. Motorová přepážka by měla být z 5 mm letecké překližky. Sada pro zadní montáž (upevňovací kříž, unašeč vrtule pro zadní montáž) je dodávána spolu s motorem.
Sada motoru obsahuje: střídavý motor KAVAN PRO 3548-500 s kabely s připájenými 3,5 mm zlacenými konektory, sadu pro zadní montáž. Úplný návod k obsluze motoru si můžete stáhnout zde: Střídavé motory KAVAN PRO - Návod k obsluze
Pozn.: Alternativní označení dle rozměrů statoru 2826-500.
| Napájení LiXX článků | 6 |
| Otáčky na volt [ot./min/V] | 500 |
| Max. výkon (180 s) [W] | 578 |
| Vnitřní odpor [mOhm] | 67.5 |
| Proud naprázdno (při 10 V) [A] | 1.25 |
| Max. špičkový proud (180 s) [A] | 26 |
| Průměr [mm] | 35.2 |
| Délka [mm] | 47 |
| Délka celková [mm] | 69.5 |
| Průměr hřídele [mm] | 5 |
| Hmotnost [g] | 173 |
| Počet pólů | 14 |
| Časování [°] | 20 - 25 |
| Regulátor [A] | 60 - 70 |
| Větroň do hmotnosti [g] | 2800 |
| Trenér do hmotnosti [g] | 2700 |
| Akrobat do hmotnosti [g] | 2300 |
| 3D do hmotnosti [g] | 1500 |
| Doporučená vrtule | 6S: 12x6”-13x6.5" |
Košík je prázdný