Košík je prázdný
Motory KAVAN PRO jsou vysokovýkonné bezkomutátorové (střídavé, "brushless") čtrnáctipólové elektromotory s rotačním pláštěm ("outrunner") s vynikajícími elektrickými vlastnostmi, propracovanou konstrukcí a špičkovým výrobním zpracováním. Hřídele z tvrzené oceli a kvalitní ložiska zajišťují vysokou životnost, jakostní materiály použité pro zhotovení statoru i rotoru zaručují rovněž výborné výkonové parametry při vysoké účinnosti. Jsou to nízkootáčkové motory s velkým kroutícím momentem zvládající vrtule o velkém průměru i stoupání bez potřeby převodovky.
| Systém označování motorů: PRO xxYY-zzzz |
| PRO - střídavý motor s rotačním pláštěm ("outrunner", "oběžka") |
| xx - průměr motoru v mm |
| YY - délka motoru v mm |
| zzzz - počet otáček na volt (ot./min na V), „KV“ |
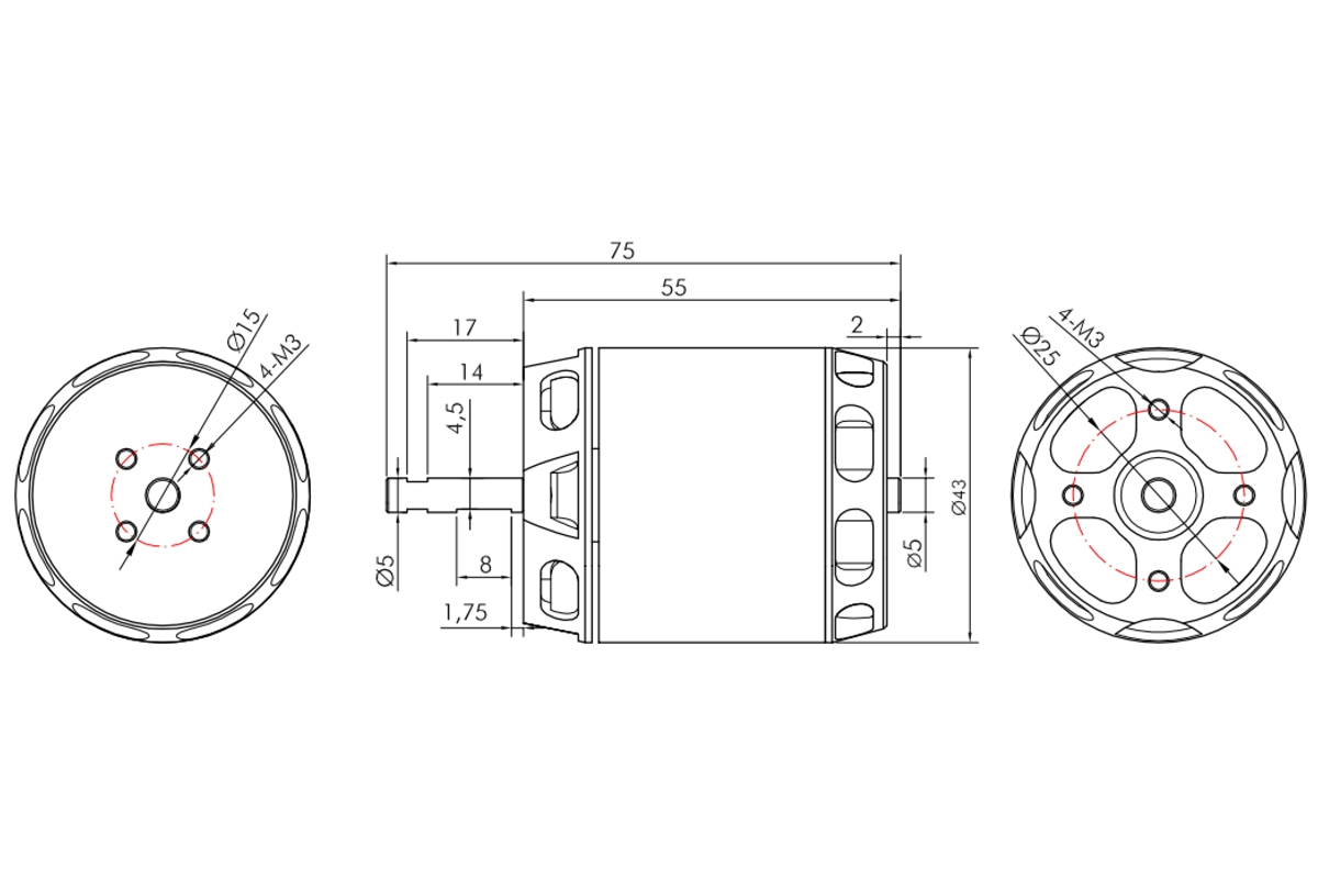
KAVAN PRO 4355-700
KAVAN PRO 4355-700 je střídavý motor učený pro pohon modelů s letovou hmotností do 3300 g s napájením z čtyř- až pětičlánkového akumulátoru LiPo. Výborně se hodí pro modely, do kterých byste dříve montovali spalovací motor 6,5-8 ccm.
Montáž motoru: KAVAN PRO 4355-700 je konstruován pro přední i zadní montáž. Při přední montáži za čelo motoru použijte čtyři šrouby M3, které zasahují do čela motoru v rozmezí 4-5 mm. Motorová přepážka by měla být z 6 mm letecké překližky. Sada pro zadní montáž (upevňovací kříž, unašeč vrtule pro zadní montáž) je dodávána spolu s motorem.
Sada motoru obsahuje: střídavý motor KAVAN PRO 4355-700 s kabely s připájenými 4 mm zlacenými konektory, sadu pro zadní montáž. Úplný návod k obsluze motoru si můžete stáhnout zde: Střídavé motory KAVAN PRO - Návod k obsluze
Pozn.: Alternativní označení dle rozměrů statoru 3530-700.
| Napájení LiXX článků | 4 |
| Otáčky na volt [ot./min/V] | 700 |
| Max. výkon (180 s) [W] | 2013 |
| Vnitřní odpor [mOhm] | 13.5 |
| Proud naprázdno (při 10 V) [A] | 2.45 |
| Proud při max. účinnosti (η>78%) [A] | 7 - 28 |
| Max. špičkový proud (180 s) [A] | 117 |
| Průměr [mm] | 43 |
| Délka [mm] | 53 |
| Délka celková [mm] | 75 |
| Průměr hřídele [mm] | 5 |
| Hmotnost [g] | 302 |
| Počet pólů | 14 |
| Časování [°] | 20 - 25 |
| Regulátor [A] | 120 - 160 |
| Větroň do hmotnosti [g] | 3300 |
| Trenér do hmotnosti [g] | 3300 |
| Akrobat do hmotnosti [g] | 2800 |
| 3D do hmotnosti [g] | 2200 |
| Doporučená vrtule | 4S: 13x7"-14x7" |
Košík je prázdný